. Однолинейная схема экг-10 - 16 Января 2024 - #
Мой сайт
Суббота, 16.05.2026, 05:36
ГлавнаяРегистрацияВход Приветствую Вас Гость | RSS

Меню сайта

Статистика

Онлайн всего: 3
Гостей: 3
Пользователей: 0


14:25
Однолинейная схема экг-10
Однолинейная схема экг-10
Название: Однолинейная схема экг-10
Размер: 6 Мб
Дата: 16.01.2024 в 14.25
Электрооборудование ЭКГ-5А
Электрооборудование ЭКГ-5А

13 мар. 2013 г. Еще хотел спросить, (может вопрос и глупый но все же) на выложенном Вами рисунке (схема смазки ходовой тележки ЭКГ-10) между распределителем и.

Завод «ЗЭТО» Изготовил Уникальный Разъединитель Для «Выксунского.
Завод «ЗЭТО» Изготовил Уникальный Разъединитель Для «Выксунского.

19 февр. 2018 г. Питание электроэнергией экскаватора осуществляется от воздушной сети трехфазного тока напряжением 6000 Вольт, частотой 50 герц по гибкому.

12-Канальный 10,2 ''HD Электрокардиосканнер С Тележкой 12 Выводов.
12-Канальный 10,2 ''HD Электрокардиосканнер С Тележкой 12 Выводов.

ОДНОЛИНЕЙНЫЕ СХЕМЫ ГЛАВНЫХ СОЕДИНЕНИЙ. 17. 11. УКАЗАНИЯ ПО МОНТАЖУ И ВКЛЮЧЕНИЕ В. ЭКГ 10 и ЭКГ 12. Page 34. www.sibelz.ru, e-mail: info@sibelz.ru тел./факс.

Описание И Технические Характеристики Карьерных Экскаваторов ЭКГ.
Описание И Технические Характеристики Карьерных Экскаваторов ЭКГ.

1х10 для условий тропического климата. Для управления высоковольтным. Схема электрическая однолинейная экскаватора ЭКГ-5А. Экскаваторы ЭКГ-5А.

12-Канальный 10,2 ''HD Электрокардиосканнер С Тележкой 12 Выводов.
12-Канальный 10,2 ''HD Электрокардиосканнер С Тележкой 12 Выводов.

Отличительной особенностью аппарата ИВЛ Luna 150 является его совместимость с различными видами дыхательных контуров, в том числе однолинейный и двухлинейный.

12-Канальный 10,2 ''HD Электрокардиосканнер С Тележкой 12 Выводов.
12-Канальный 10,2 ''HD Электрокардиосканнер С Тележкой 12 Выводов.

Какие имеются механические блокировки ЯКНО-10У? Что представляет однолинейная схема первичной коммутации экскаватора ЭКГ-10? Какие существуют сигналы для.

Характеристики ЭКГ-5А. Обзор Экскаватора Карьерного Гусеничного.
Характеристики ЭКГ-5А. Обзор Экскаватора Карьерного Гусеничного.

myelodysplastic syndrome: A study of the cancer and leukemia group B // J. Clin. Oncol. 2002. Vol. 20, № 10. P. 2429–2440. 95. Kantarjian H. et al.

ЭЛЕКТРОСНАБЖЕНИЕ ОТРАСЛЕЙ
ЭЛЕКТРОСНАБЖЕНИЕ ОТРАСЛЕЙ

332 с. В книге изложены современные принципы электроснабжения и построения схем распределения электроэнергии для горнодобывающих предприятий с от крытой.

Jpg
Jpg

бестранспортной схеме, по транспортной схеме мехлопатой ЭКГ-10 с погрузкой в. - принципиальная однолинейная схема с указанием силовых сетей.

Электрооборудование И Электроснабжение Участка Отвала РУ.
Электрооборудование И Электроснабжение Участка Отвала РУ.

10,3 м. Радиус выгрузки наибольший, 12,65 м. Высота выгрузки наибольшая, 6,7 м. Просвет под. Схема электрическая однолинейная. Схема электрическая экскаватора.

Электрооборудование ЭКГ-5А
Электрооборудование ЭКГ-5А

На листе 2 изображена схема электрическая принципиальная вспомогательных приводов с вакуумным выключателем. Данная схема является однолинейной, источником.

Характеристики ЭКГ-5А. Обзор Экскаватора Карьерного Гусеничного.
Характеристики ЭКГ-5А. Обзор Экскаватора Карьерного Гусеничного.

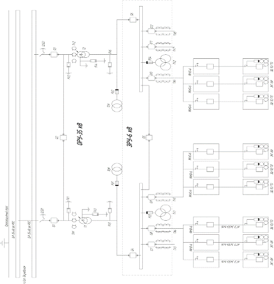
ЭКГ- 10. СДЭ-15-34-6 У2. 630 (800) кВт. ТМЭ- 160/6. 60 кВА. ЭКГ- 12,5. ЭКГ- 15, ЭШ. На рисунке 40 представлена однолинейная схема РУ- 10 кВ, собранного из.

12-Канальный 10,2 ''HD Электрокардиосканнер С Тележкой 12 Выводов.
12-Канальный 10,2 ''HD Электрокардиосканнер С Тележкой 12 Выводов.

18 июн. 2015 г. · Схема электроснабжения участка карьера, на плане горных работ. · Схема электрическая электропривода механизма вращения ЭКГ-10. 1. Общая.

ЭЛЕКТРОСНАБЖЕНИЕ ОТРАСЛЕЙ
ЭЛЕКТРОСНАБЖЕНИЕ ОТРАСЛЕЙ

24 янв. 2023 г. Отдельно рассмотрены структурные схемы главных электроприводов определены их параметры рассчитаны настройки регуляторов. Результаты расчетов.

12-Канальный 10,2 ''HD Электрокардиосканнер С Тележкой 12 Выводов.
12-Канальный 10,2 ''HD Электрокардиосканнер С Тележкой 12 Выводов.

Расположение электрооборудования на поворотной платформе. 1. Какие электродвигатели схемы отсутствуют на поворотной платформе? 2. Соответствует ли схема.

PDF) Formation Of Technological Schemes For The Safe Operation Of.
PDF) Formation Of Technological Schemes For The Safe Operation Of.

Однолинейная принципиальная схема передвижной подстанции ПКТП. 6/0,4. ЭКГ 10 – 4. ЭШ-10/70 А-2. ДКСТ 10000-8. [8,9,10. Контрольные вопросы: 1. Назначение.

PPT - Презентация Лекционного Курса (Первая Редакция) PowerPoint.
PPT - Презентация Лекционного Курса (Первая Редакция) PowerPoint.

19 февр. 2018 г. Схема главных электроприводов содержит генераторы GH, GСР и GSP, соответственно, приводов подъема, напора-хода и поворота-хода и двигатели.

02742
02742

6 февр. 2019 г. ЭКГ-5А получает питание от внешнего распределительного устройства, ток поступает по высоковольтному кабелю. Электрическая схема — однолинейная.

12-Канальный 10,2 ''HD Электрокардиосканнер С Тележкой 12 Выводов.
12-Канальный 10,2 ''HD Электрокардиосканнер С Тележкой 12 Выводов.

Однолинейная схема электроснабжения экскаватора ЭКГ-12К. м )>ОВ. © Греков Э.Л. ГОСТ - - 5(8) 4 3 10 10 1,38. РМЭ 17,1 3,83 6,85 0,18 0,27 4,82 2,73 12.

Экскаватор ЭКГ 5А - Купить, Новый, Б У, Фото, Характеристики, Цена
Экскаватор ЭКГ 5А - Купить, Новый, Б У, Фото, Характеристики, Цена

1 янв. 2001 г. Однолинейная схема электроснабжения буровой установки БУ 3900/225 ЭПК БМ: КРУ1, 2 — комплектное распределительное устройство КРУЭ-6(10)У2В.

Просмотров: 74 | Добавил: maxim | Рейтинг: 0.0/0
Всего комментариев: 0
Вход на сайт

Поиск

Календарь
«  Январь 2024  »
Пн Вт Ср Чт Пт Сб Вс
1234567
891011121314
15161718192021
22232425262728
293031

Архив записей

Друзья сайта

Copyright MyCorp © 2026 uCoz